Firefly jar hardware
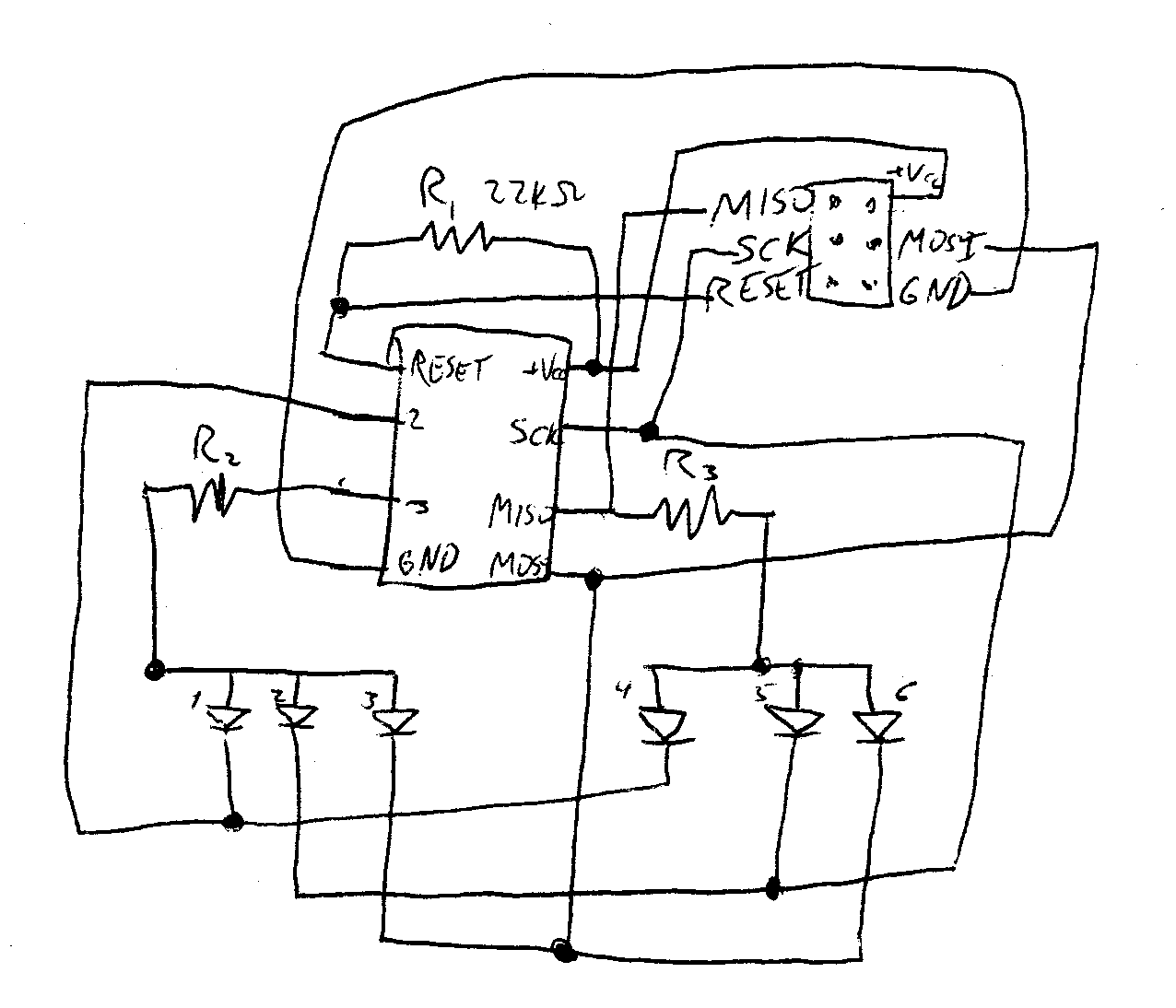
The hardware for this project was made following this excellent Instructable. The only changes I made were the addition of a push on/push off switch (scavenged from a stick-on LED light) and a 6-pin programming header to allow reprogramming of the jar after it had been built. To make testing easier, I first built a prototype board on a 2”x2” perfboard with the same schematic, so it is electrically identical but easier to see what it’s doing, and less fragile.
The prototype board can also be used as a target board for programming ATtiny85 (and -45) chips for other purposes. You will need some type of programmer to transfer the program to the microcontroller; I used the USBtinyISP from Adafruit industries.
This was by far the smallest soldering work I have ever done. The surface mount components on the board weren’t too difficult, but soldering the tiny 0603 size LEDs to magnet wire was a challenge. In retrospect, I think this might have looked just as good using regular through-hole diffuse LEDs (the ones on the prototype board), and been a lot easier to build. I attached the switch and header to the underside of the lid with J-B Qwik to keep them immobilized.
Previous: firefly jar Next: firefly behavior

